Features: Internal Gain Setting Resistors Pin Configurable as a Difference Amplifier, Inverting and Noninverting Amplifier Difference Amplifier: Gain Range 1 to 7 CMRR > 65dB Noninverting Amplifier: Gain Range 1 to 8 Inverting Amplifier: Gain Range 1 to 7 Gain Error: <0.2% Slew Rate: 1000V/...
LT1995: Features: Internal Gain Setting Resistors Pin Configurable as a Difference Amplifier, Inverting and Noninverting Amplifier Difference Amplifier: Gain Range 1 to 7 CMRR > 65dB Noninverting Amplif...
SeekIC Buyer Protection PLUS - newly updated for 2013!
268 Transactions
All payment methods are secure and covered by SeekIC Buyer Protection PLUS.

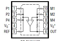
The LT®1995 is a high speed, high slew rate, gain selectable amplifier with excellent DC performance. Gains from 7 to 8 with a gain accuracy of 0.2% can be achieved using no external components. The device is particularly well suited for use as a difference amplifier, where the excellent resistor matching results in a typical common mode rejection ratio of 79dB.
The LT1995 amplifier is a single gain stage design similar to the LT1363 and features superb slewing and settling characteristics. Input offset of the internal operational amplifier is less than 2.5mV and the slew rate is 1000V/s. The output can drive a 150 load to ±2.5V on ±5V supplies, making it useful in cable driver applications.
The resistors have excellent matching, 0.2% maximum at room temperature and 0.3% from 40°C to 85°C. The temperature coefficient of the resistors is typically 30ppm/°C. The resistors are extremely linear with voltage, resulting in a gain nonlinearity of 10ppm.
The LT1995 is fully specified at ±2.5V, ±5V and ±15V supplies and from 40°C to 85°C. The device is available in space saving 10-lead MSOP and 10-Lead (3mm * 3mm) DFN packages. For a micropower precision amplifier with precision resistors, see the LT1991 and LT1996.