Features: · Single Chip Provides Complete LocalTalk©/AppleTalk© Port· Low Power: ICC = 1.2mA Typ· Shutdown Pin Reduces ICC to 30mA Typ· Drivers Maintain High Impedance in Three-State or with Power Off· 30ns Driver Propagation Delay Typ· 5ns Driver Skew Typ· Thermal Shutdown Protection· D...
LTC1320: Features: · Single Chip Provides Complete LocalTalk©/AppleTalk© Port· Low Power: ICC = 1.2mA Typ· Shutdown Pin Reduces ICC to 30mA Typ· Drivers Maintain High Impedance in Three-State or wi...
SeekIC Buyer Protection PLUS - newly updated for 2013!
268 Transactions
All payment methods are secure and covered by SeekIC Buyer Protection PLUS.

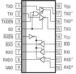
The LTC1320 is an RS422/RS562 line transceiver designed to operate on LocalTalk networks. It provides one differential RS422 driver, one single-ended RS562 driver, two single-ended RS562 receivers, and one differential RS422 receiver. The LTC1320 draws only 1.2mA quiescent current when active and 30mA in shutdown, making it ideal for use in battery-powered devices and other systems where power consumption is a primary concern.
The LTC1320 drivers are specified to drive ±2V into 100W. Additionally, the driver outputs three-state when disabled, during shutdown, or when the power is off; they maintain high impedance even with output common-mode voltages beyond the power supply rails. Both the driver outputs and receiver inputs are protected against ESD damage to beyond 5kV.
The LTC1320 is available in the 18-pin SOL package.