Features: ·Single Chip 5V LocalTalk Port·Low Power: ICC = 1mA Typ·Shutdown Pin Reduces ICC to 1mA Typ·Digitally Selectable Low Slew Rate Mode for·Reduced EMI Emmisions·Drivers Maintain High Impedance in Three-State or with Power Off·Thermal Shutdown Protection·Drivers Are Short-Circuit ProtectedPi...
LTC1324: Features: ·Single Chip 5V LocalTalk Port·Low Power: ICC = 1mA Typ·Shutdown Pin Reduces ICC to 1mA Typ·Digitally Selectable Low Slew Rate Mode for·Reduced EMI Emmisions·Drivers Maintain High Impedanc...
SeekIC Buyer Protection PLUS - newly updated for 2013!
268 Transactions
All payment methods are secure and covered by SeekIC Buyer Protection PLUS.

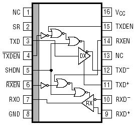
The LTC®1324 is a single 5V line transceiver designed to operate on Apple®LocalTalk networks. The driver features a digitally selectable low slew rate mode for reduced EMI emissions. The chip draws only 1mA quiescent current when active and 1mA in shutdown. The differential driver outputs three-state when disabled, during shutdown or when the power is off. The driver outputs will maintain high impedance even with output common mode voltages beyond the power supply rails. Both the driver outputs and receiver inputs are protected against ESD damage to ±10kV.
The LTC1324 is available in a 16-pin SO Wide package.