Features: · Low Supply Current 300mA· 0.2mA Supply Current in SHUTDOWN· ESD Protection ±10kV· Operates From a Single 3.3V Supply· Uses Small Capacitors 0.1mF· Operates To 120k Baud· Three-State Outputs are High Impedance When Off· Output Overvoltage Does Not Force Current Back Into Supplies· EIA/T...
LTC1327: Features: · Low Supply Current 300mA· 0.2mA Supply Current in SHUTDOWN· ESD Protection ±10kV· Operates From a Single 3.3V Supply· Uses Small Capacitors 0.1mF· Operates To 120k Baud· Three-State Outp...
SeekIC Buyer Protection PLUS - newly updated for 2013!
268 Transactions
All payment methods are secure and covered by SeekIC Buyer Protection PLUS.

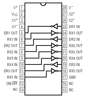
The LTC1327 is an advanced low power, three-driver/fivereceiver EIA/TIA-562 transceiver. In the no load condition, the supply current is only 300mA. The charge pump only requires four 0.1mF capacitors.
In SHUTDOWN mode, the supply current is further reduced to 0.2mA. All EIA/TIA-562 outputs assume a high impedance state in SHUTDOWN and with the power off.
The LTC1327 is fully compliant with all data rate and overvoltage EIA/TIA-562 specifications. The transceiver can operate up to 120k Baud with a 1000pF//3kW load. Both driver outputs and receiver inputs can be forced to ±25V without damage, and can survive multiple ±10kV ESD strikes.