Features: · Two RS232 Transceivers or One RS485 Transceiver· Operates from a Single 5V Supply· Guaranteed Receiver Output with Inputs Floating or Shorted to Ground· Logic Selectable Fast/Slow RS485 Driver Slew Rate· Low Supply Current: 7mA Typical· 5µA Supply Current in Shutdown· Self-Testin...
LTC1387IG_1160922: Features: · Two RS232 Transceivers or One RS485 Transceiver· Operates from a Single 5V Supply· Guaranteed Receiver Output with Inputs Floating or Shorted to Ground· Logic Selectable Fast/Slow RS485 ...
SeekIC Buyer Protection PLUS - newly updated for 2013!
268 Transactions
All payment methods are secure and covered by SeekIC Buyer Protection PLUS.

The LTC® 1387 is a low power reconfigurable CMOS bidi- rectional transceiver. It can be configured as an RS485 differential port or as two RS232 single-ended ports. An onboard charge pump uses four 0.1µF capacitors to generate boosted positive and negative supplies, allowing the RS232 drivers to meet ±5V output swing require-ments with only a single 5V supply. A shutdown mode reduces the ICC supply current to 5µA.
The RS232 transceivers are in full compliance with RS232 specification. The RS485 transceiver is in full compliance with RS485 and RS422 specifications. The RS485 re-ceiver assumes a known output state when the inputs are floating or shorted to ground. All interface drivers feature short-circuit and thermal shutdown protection. An enable pin allows RS485 driver outputs to be forced into high impedance which is maintained even when the outputs are forced beyond supply rails or the power is off. A loop back mode allows the driver outputs to be connected back to the receiver inputs for diagnostic self-test.
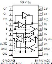
The LTC1387 is available in 20-pin plastic SSOP and SW packages.