LTC1544

Features: · Software-Selectable Transceiver Supports: RS232, RS449, EIA530, EIA530-A, V.35, V.36, X.21· TUV/Detecon Inc. Certified NET1 and NET2 Compliant (Test Report No. NET2/102201/97)·TBR2 Compliant (Test Report No. CTR2/022701/98)·Software-Selectable Cable Termination Using the LTC1344A·Compl...

product image

LTC1544 Picture
SeekIC No. : 004401670 Detail

LTC1544: Features: · Software-Selectable Transceiver Supports: RS232, RS449, EIA530, EIA530-A, V.35, V.36, X.21· TUV/Detecon Inc. Certified NET1 and NET2 Compliant (Test Report No. NET2/102201/97)·TBR2 Compl...

floor Price/Ceiling Price

Part Number:
LTC1544
Supply Ability:
5000

Price Break

  • Qty
  • 1~5000
  • Unit Price
  • Negotiable
  • Processing time
  • 15 Days
Total Cost: $ 0.00

SeekIC Buyer Protection PLUS - newly updated for 2013!

  • Escrow Protection.
  • Guaranteed refunds.
  • Secure payments.
  • Learn more >>

Month Sales

268 Transactions

Rating

evaluate  (4.8 stars)

Upload time: 2026/4/16

Payment Methods

All payment methods are secure and covered by SeekIC Buyer Protection PLUS.

Notice: When you place an order, your payment is made to SeekIC and not to your seller. SeekIC only pays the seller after confirming you have received your order. We will also never share your payment details with your seller.
Product Details

Description



Features:

· Software-Selectable Transceiver Supports: RS232, RS449, EIA530, EIA530-A, V.35, V.36, X.21
· TUV/Detecon Inc. Certified NET1 and NET2 Compliant (Test Report No. NET2/102201/97)
·TBR2 Compliant (Test Report No. CTR2/022701/98)
·Software-Selectable Cable Termination Using the LTC1344A
·Complete DTE or DCE Port with LTC1543, LTC1344A or LTC1546 with Integrated Termination
·Operates from Single 5V Supply with LTC1543




Application

·Data Networking
·CSU and DSU
·Data Routers



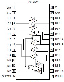
Pinout

  Connection Diagram 


Specifications

Supply Voltage, VCC ........................................... 6.5V
Input Voltage
Transmitters ......................... 0.3V to (VCC + 0.3V)
Receivers ............................................. 18V to 18V
Logic Pins .............................. 0.3V to (VCC + 0.3V)
Output Voltage
Transmitters ................. (VEE 0.3V) to (VDD + 0.3V)
Receivers ............................... 0.3V to (VCC + 0.3V)
VEE........................................................ 10V to 0.3V
VDD ....................................................... 0.3V to 10V
Short-Circuit Duration
Transmitter Output ..................................... Indefinite
Receiver Output .......................................... Indefinite
VEE.................................................................. 30 sec
Operating Temperature Range
LTC1544CG ........................................... 0°C to 70°C
LTC1544IG ....................................... 40°C to 85°C
Storage Temperature Range ......... 65°C to 150°C
Lead Temperature (Soldering, 10 sec).............. 300°C



Description

The LTC®1544 is a 4-driver/4-receiver multiprotocol transceiver. The LTC1544 and LTC1543 form the core of a complete software-selectable DTE or DCE interface port that supports the RS232, RS449, EIA530, EIA530-A, V.35, V.36 or X.21 protocols. Cable termination for the LTC1543 may be implemented using the LTC1344A software-selectable cable termination chip or by using existing discrete designs. The LTC1546 includes software-selectable cable termination onchip.

The LTC1544 runs from a 5V supply and the charge pump on the LTC1543 or LTC1546. The part is available in a 28-lead SSOP surface mount package.




Customers Who Bought This Item Also Bought

Margin,quality,low-cost products with low minimum orders. Secure your online payments with SeekIC Buyer Protection.
Hardware, Fasteners, Accessories
LED Products
Discrete Semiconductor Products
Motors, Solenoids, Driver Boards/Modules
Isolators
Inductors, Coils, Chokes
View more