Features: • Broadband Operation• Output Intercept Point Greater than +45 dBm• Excellent ACPR performance• High Efficiency• Lead-Free SOIC-8EP Package• 100% Matte Tin Plating over Copper• Halogen-Free Green Mold Compound• RoHS* Compliant and 260°C R...
MAAMSS0057: Features: • Broadband Operation• Output Intercept Point Greater than +45 dBm• Excellent ACPR performance• High Efficiency• Lead-Free SOIC-8EP Package• 100% Matte ...
SeekIC Buyer Protection PLUS - newly updated for 2013!
268 Transactions
All payment methods are secure and covered by SeekIC Buyer Protection PLUS.
Features: • Low Distortion• Low Noise Figure• Lead-Free 4 mm 20-Lead PQFN Packag...
Features: • 2-Way Splitter, 8.5 dB Gain• Single Ended Input and Outputs• 75 Imp...

| Parameter | Absolute Maximum |
| RF Output Power | 32 dBm |
| Voltage | 6 volts |
| Storage Temperature | -65°C to +150°C |
| Junction Temperature | 200°C |
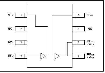
M/A-COM's MAAMSS0057 RF driver amplifier is a two stage GaAs MMIC which exhibits exceptional linearity performance as well as featuring high gain in a lead-free SOIC-8EP surface mount plastic package. The device runs off a single +5 volt supply and draws 490 mA typically.
The MAAMSS0057 is fabricated using a high reliability GaAs HBT process to realize low current and high power functionality. The process features full passivation for increased performance and reliability.
The MAAMSS0057 has been designed to be a functional driver amplifier from 250 to 4000 MHz.