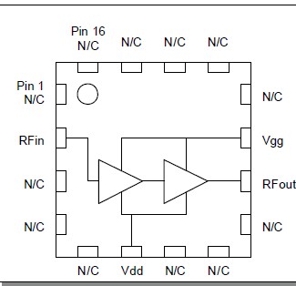
Features: · U-NII and Hiperlan Applications· Saturated Output Power 30.5 dBm at +7.0 V· Power Added Efficiency 40 Percent· No External RF Matching· 4-mm FQFP-N, 16-Lead PackagePinoutSpecifications Parameter Absolute Maximum Max Input Power (5 - 6 GHz)Operating VoltagesOperating Temper...
MAAPSM0008: Features: · U-NII and Hiperlan Applications· Saturated Output Power 30.5 dBm at +7.0 V· Power Added Efficiency 40 Percent· No External RF Matching· 4-mm FQFP-N, 16-Lead PackagePinoutSpecifications ...
SeekIC Buyer Protection PLUS - newly updated for 2013!
268 Transactions
All payment methods are secure and covered by SeekIC Buyer Protection PLUS.
Features: · 2 Watt Saturated Output Power Level· Variable Drain Voltage (6-10V) Operation· MSAG...
Features: · 1.0 Watt Saturated Output Power Level· Variable Drain Voltage (6-10V) Operation· MSAG&...
Features: · 8 Watt Saturated Output Power Level· Eutectically mounted to Heat Spreader· Next level...

|
Parameter |
Absolute Maximum |
| Max Input Power (5 - 6 GHz) Operating Voltages Operating Temperature Channel Temperature Storage Temperature |
+ 15 dBm |
The MAAPSM0008 is a two -stage power amplifier mounted in a standard outline, 16-lead, 4-mm FQFP-N plastic package, designed specifically for the U-NII, MMAC, and Hiperlan bands. The MAAPSM0008 has fully matched 50 ohms input and output, eliminating the need for external RF tuning components.
M/A-COM fabricates the MAAPSM0008 using a selfaligned gate MESFET process to realize high power efficiency and small size. The process features full passivation for performance and reliability.