Features: . 2.4GHz to 2.5GHz ISM Band Operation. 802.11b (11Mbps CCK and 22Mbps PBCC) PHYCompatible. Complete RF-to-Baseband Transceiver Direct-Conversion Upconverters andDownconvertersMonolithic Low-Phase-Noise VCOIntegrated Baseband Lowpass FiltersIntegrated PLL with 3-Wire Serial InterfaceDigit...
MAX2821: Features: . 2.4GHz to 2.5GHz ISM Band Operation. 802.11b (11Mbps CCK and 22Mbps PBCC) PHYCompatible. Complete RF-to-Baseband Transceiver Direct-Conversion Upconverters andDownconvertersMonolithic Lo...
SeekIC Buyer Protection PLUS - newly updated for 2013!
268 Transactions
All payment methods are secure and covered by SeekIC Buyer Protection PLUS.

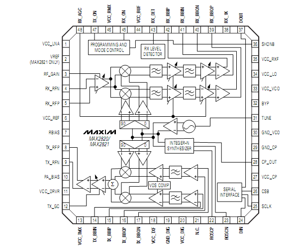
The MAX2820/MAX2821 single-chip zero-IF transceiversare designed for the 802.11b (11Mbps) applicationsoperating in the 2.4GHz to 2.5GHz ISM band. The trans-ceivers are nearlyidentical, except the MAX2821 pro-vides a low-power shutdown mode and an analogvoltage reference output feature and the MAX2820 doesnot. The transceivers include all the circuitry required toimplement an 802.11b RF-to-baseband transceiver solu-tion, providing a fully integrated receive path, transmitpath, VCO, frequency synthesis, andbaseband/controlinterface. Only a PA, RF switch, RF BPF, and a smallnumber of passive components are needed to form thecomplete radio front-end solution.
The MAX2820/MAX2821 ICs eliminate the need for external IF and base-band filters by utilizing a direct-conversion radio archi-tecture and monolithic baseband filters for bothreceiver and transmitter. They are specifically opti-mized for 802.11b (11Mbps CCK) applications. Thebaseband filtering and RX and TX signal paths supportthe CCK modulation scheme for BER = 10-5 at therequired sensitivity levels.
The devices are suitable for the full range of 802.11bdata rates (1Mbps, 2Mbps, 5.5Mbps, and 11Mbps) andalso the higher-rate 22Mbps PBCCTMstandard. The MAX2820/MAX2821 are available in the very small 7mm×7mm 48-lead QFN package.