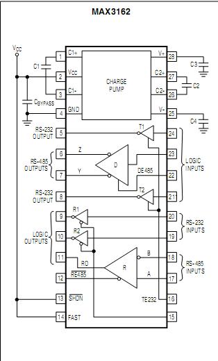
Features: Single-Supply Operation from +3V to +5.5V Pin-Programmable as 2Tx/2Rx RS-232 or Single RS-485/422 (MAX3160/MAX3161) 2Tx/2Rx RS-232 and Single RS-485/422 (MAX3162) Pin-Programmable RS-232/RS-485 Transmitter Slew Rates Reduce EMI10Mbps RS-485 and 1Mbps RS-232 Data Rates Pin-Programmable Ha...
MAX3162: Features: Single-Supply Operation from +3V to +5.5V Pin-Programmable as 2Tx/2Rx RS-232 or Single RS-485/422 (MAX3160/MAX3161) 2Tx/2Rx RS-232 and Single RS-485/422 (MAX3162) Pin-Programmable RS-232/R...
SeekIC Buyer Protection PLUS - newly updated for 2013!
268 Transactions
All payment methods are secure and covered by SeekIC Buyer Protection PLUS.
