Features: Recommended for Profibus ApplicationsUp to 40Mbps Data Rate15ns Transmitter Propagation Delay20ns Receiver Propagation Delay2ns Transmitter and Receiver Skew High Differential Driver Output Level (2.1V on 54Ω) Hot-Swap Versions 1µA Shutdown Supply Current Low Supply Current R...
MAX3468: Features: Recommended for Profibus ApplicationsUp to 40Mbps Data Rate15ns Transmitter Propagation Delay20ns Receiver Propagation Delay2ns Transmitter and Receiver Skew High Differential Driver Outpu...
SeekIC Buyer Protection PLUS - newly updated for 2013!
268 Transactions
All payment methods are secure and covered by SeekIC Buyer Protection PLUS.

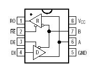
The MAX3468 are high-speed differential bus transceivers for RS-485 and RS-422 communications. They are designed to meet TIA/EIA-422-B, TIA/EIA-485-A, V.11, and X.27 standards. The transceiver MAX3468 complies with the Profibus specification providing +2.1V minimum output level with a 54Ω load, 40Mbps data rate, and output skew less than 2ns. Each part contains one three-state differential line driver and one differential input line receiver. The MAX3468 operate from a +5V supply and feature true fail-safe circuitry, which guarantees a logic-high receiver output when the receiver inputs are open or shorted. This enables all receiver outputs on a terminated bus to output logic highs when all transmitters are disabled.
MAX3468 feature a 1/4-standard-unit load receiver input impedance that allows 128 transceivers on the bus. Driver and receiver propagation delays are guaranteed under 20ns for multidrop, clock distribution applications. Drivers are short-circuit current limited and are protected against excessive power dissipation by thermal-shutdown circuitry. The driver and receiver MAX3468 feature active-high and active-low enables, respectively, that can be connected together xternally to serve as a direction control.