Features: ` Guaranteed On-Resistance Match Between Channels (<4 )` Low On-Resistance (<100 )` Guaranteed Flat On-Resistance over Signal Range (<10)` Guaranteed Low Charge Injection (<5pC)` NO-Off Leakage Current <2nA at +85°C` COM-Off Leakage Current <5nA at +85°C` Electrostatic ...
MAX4519: Features: ` Guaranteed On-Resistance Match Between Channels (<4 )` Low On-Resistance (<100 )` Guaranteed Flat On-Resistance over Signal Range (<10)` Guaranteed Low Charge Injection (<5pC...
SeekIC Buyer Protection PLUS - newly updated for 2013!
268 Transactions
All payment methods are secure and covered by SeekIC Buyer Protection PLUS.

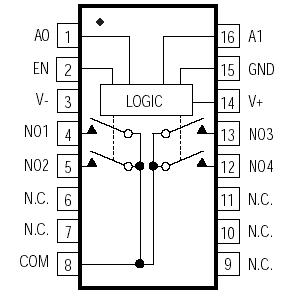
The MAX4518/MAX4519 precision, monolithic, CMOS analog multiplexers (muxes) offer low on-resistance (less than 100½), which is matched to within 4 between channels and remains flat over the specified analog signal range (10 max). They also offer low leakage nover temperature (NO-off leakage current less than 2nA at +85°C) and fast switching speeds (transition time less than 250ns). The MAX4518 is a 4-channel device, and the MAX4519 is a dual 2-channel device.
The MAX4518/MAX4519 are fabricated with Maxim's low-voltage silicon-gate process. Design improvements yield extremely low charge injection (less than 5pC) and guarantee electrostatic discharge protection greater than 2000V.
These muxes of MAX4519 operate with a single +2.7V to +15V supply or with bipolar ±2.7V to ±8V supplies, while retaining CMOS-logic input compatibility and fast switching. CMOS inputs provide reduced input loading.