Features: +3V Logic-Compatible Inputs (VIH = 2.0V, VIL = 0.8V)+2V to +12V Supply Operation100 On-Resistance with +12V SupplyGuaranteed 10 On-Resistance Match at +12VGuaranteed 2nA Maximum Off-Leakage at +12VTTL/CMOS-Logic CompatibleTiny 10-Pin TDFN (3mm * 3mm) and 10-Pin MAX PackagesApplicationAud...
MAX4525L: Features: +3V Logic-Compatible Inputs (VIH = 2.0V, VIL = 0.8V)+2V to +12V Supply Operation100 On-Resistance with +12V SupplyGuaranteed 10 On-Resistance Match at +12VGuaranteed 2nA Maximum Off-Leakag...
SeekIC Buyer Protection PLUS - newly updated for 2013!
268 Transactions
All payment methods are secure and covered by SeekIC Buyer Protection PLUS.

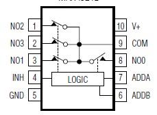
The MAX4524L/MAX4525L are low-voltage, single-supply CMOS analog switches configured as a 4-channel multiplexer/demultiplexer (MAX4524L) and a doublepole/ double-throw (DPDT) switch (MAX4525L). The MAX4524L/MAX4525L have an inhibit input to simultaneously open all switches.
The MAX4525L operates from a single supply of +2V to +12V. They are optimized for operation with a +12V supply. The on-resistance is 100 with a +12V supply. Each switch can handle Rail-to-Rail® analog signals. Off-leakage current measures only 2nA at +25°C. All digital inputs have 0.8V to 2.0V logic thresholds to ensure TTL/CMOS-logic compatibility when using a +12V supply.