Features: 5pC (max) Charge Injection 110½ Signal Paths with ±5V Supplies Rail-to-Rail Signal Handling Transition Time <100ns with ±5V Supplies 1.0A (max) Current Consumption >2kV ESD Protection per Method 3015.7 TTL/CMOS-Compatible Input Small Packages: 8-Pin SO, DIP, and MAXApplicat...
MAX4528: Features: 5pC (max) Charge Injection 110½ Signal Paths with ±5V Supplies Rail-to-Rail Signal Handling Transition Time <100ns with ±5V Supplies 1.0A (max) Current Consumption >2kV ESD P...
SeekIC Buyer Protection PLUS - newly updated for 2013!
268 Transactions
All payment methods are secure and covered by SeekIC Buyer Protection PLUS.

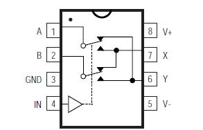
The MAX4528 low-voltage, CMOS analog IC is configured as a phase-reversal switch and optimized for highspeed applications such as chopper amplifiers. It operates from a +2.7V to +12V single supply or from ±2.7V to ±6V dual supplies.
On-resistance (110 max) of MAX4528 is matched between switches to 7 (max). Each switch can handle Rail-to-Rail® analog signals. The leakage current is only 0.5nA at +25°C and 20nA at +85°C. All digital inputs have 0.8V to 2.4V logic thresholds, ensuring both TTL- and CMOS-logic compatibility.
For higher voltage operation, see the MAX4528 data sheet.