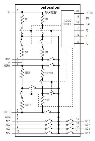
Features: On-Chip Gain and Offset Divider Networks Provide 15-Bit Accurate Output RatiosOn-Chip V+ to GND and V+ to V- Divider Networks Provide 8-Bit Accurate Output RatiosR ON : 100Ω maxR ON Matching Between Channels: 6Ω maxCharge Injection: 5pC maxLow 0.1nA Off Leakage CurrentSmall 2...
MAX4540: Features: On-Chip Gain and Offset Divider Networks Provide 15-Bit Accurate Output RatiosOn-Chip V+ to GND and V+ to V- Divider Networks Provide 8-Bit Accurate Output RatiosR ON : 100Ω maxR ON ...
SeekIC Buyer Protection PLUS - newly updated for 2013!
268 Transactions
All payment methods are secure and covered by SeekIC Buyer Protection PLUS.
