Features: ` Low Insertion Loss: -2.5dB up to 100MHz` High Off-Isolation: -74dB at 10MHz` Low Crosstalk: -70dB up to 10MHz` 16MHz -0.1dB Signal Bandwidth` 180MHz -3dB Signal Bandwidth` 60½ (max) On-Resistance with ±5V Supplies` 4½ (max) On-Resistance Matching with ±5V Supplies` 2&frac...
MAX4588: Features: ` Low Insertion Loss: -2.5dB up to 100MHz` High Off-Isolation: -74dB at 10MHz` Low Crosstalk: -70dB up to 10MHz` 16MHz -0.1dB Signal Bandwidth` 180MHz -3dB Signal Bandwidth` 60½ (ma...
SeekIC Buyer Protection PLUS - newly updated for 2013!
268 Transactions
All payment methods are secure and covered by SeekIC Buyer Protection PLUS.

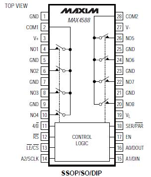
The MAX4588 low-voltage, dual 4-channel multiplexer is designed for RF and video signal processing at frequencies up to 180MHz in 50½ and 75½ systems. A flexible digital interface allows control of on-chip functions through either a parallel interface or an SPI™/ MICROWIRE™ serial port.
Each channel of the MAX4588 is designed using a "T" switch configuration, ensuring excellent high-frequency off-isolation. The MAX4588 has low on-resistance of 60½ max, with an on-resistance match across all channels of 4½ max. Additionally, on-resistance is flat across the specified signal range (2½ max). The offleakage current is under 1nA at TA = +25°C, and less than 10nA at TA = +85°C.
The MAX4588 operates from single +2.7V to +12V or dual ±2.7V to ±6V supplies. When operating with a +5V supply, the inputs maintain TTL- and CMOS-level compatibility. The MAX4588 is available in 28-pin narrow DIP, wide SO, and space-saving SSOP packages.