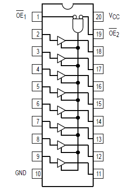
Features: • 3-State Outputs• Inputs and Outputs Opposite Side of Package, Allowing Easier Interface to Microprocessors• Outputs Source/Sink 24 mA• MC74AC540/74ACT540 Provides Inverted Outputs• MC74AC541/74ACT541 Provides Noninverted Outputs• 'ACT540 and 'ACT541 ...
MC74AC541: Features: • 3-State Outputs• Inputs and Outputs Opposite Side of Package, Allowing Easier Interface to Microprocessors• Outputs Source/Sink 24 mA• MC74AC540/74ACT540 Provides...
SeekIC Buyer Protection PLUS - newly updated for 2013!
268 Transactions
All payment methods are secure and covered by SeekIC Buyer Protection PLUS.
Features: Operating range: 38 to 47 Gb/s (min.) (note)Signal regeneration with full-rate clock sig...

|
Symbol |
Parameter |
Value |
Unit |
|
VCC |
DC Supply Voltage (Referenced to GND) |
0.5 to +7.0 |
V |
|
Vin |
DC Input Voltage (Referenced to GND) |
0.5 to VCC +0.5 |
V |
|
Vout |
DC Output Voltage (Referenced to GND) |
0.5 to VCC +0.5 |
V |
|
Iin |
DC Input Current, per Pin |
±20 |
mA |
|
Iout |
DC Output Sink/Source Current, per Pin |
±50 |
mA |
|
ICC |
DC VCC or GND Current per Output Pin |
±50 |
mA |
|
Tstg |
Storage Temperature |
65 to +150 |
The MC74AC540/74ACT540 and MC74AC541/74ACT541 are octal buffer/line drivers designed to be employed as memory and address drivers, clock drivers and bus oriented transmitter/receivers. That is a noninverting option of the MC74AC540/74ACT540.
MC74AC541 are similar in function to the MC74AC240/74ACT240 and MC74AC244/74ACT244 while providing flow-through architecture (inputs on opposite side from outputs). This pinout arrangement makes MC74AC541 especially useful as output ports for microprocessors, allowing ease of layout and greater PC board density.