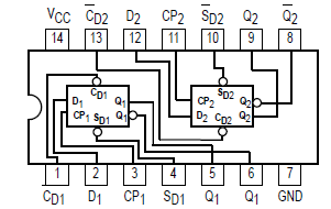
Features: • Outputs Source/Sink 24 mA• 'ACT74 Has TTL Compatible InputsPinoutSpecifications Symbol Parameter Value Unit VCC DC Supply Voltage (Referenced to GND) 0.5 to +7.0 V Vin DC Input Voltage (Referenced to GND) 0.5 to VCC +0.5 V Vout ...
MC74AC74: Features: • Outputs Source/Sink 24 mA• 'ACT74 Has TTL Compatible InputsPinoutSpecifications Symbol Parameter Value Unit VCC DC Supply Voltage (Referenced to GND) ...
SeekIC Buyer Protection PLUS - newly updated for 2013!
268 Transactions
All payment methods are secure and covered by SeekIC Buyer Protection PLUS.
Features: Operating range: 38 to 47 Gb/s (min.) (note)Signal regeneration with full-rate clock sig...
• Outputs Source/Sink 24 mA
• 'ACT74 Has TTL Compatible Inputs

|
Symbol |
Parameter |
Value |
Unit |
|
VCC |
DC Supply Voltage (Referenced to GND) |
0.5 to +7.0 |
V |
|
Vin |
DC Input Voltage (Referenced to GND) |
0.5 to VCC +0.5 |
V |
|
Vout |
DC Output Voltage (Referenced to GND) |
0.5 to VCC +0.5 |
V |
|
Iin |
DC Input Current, per Pin |
±20 |
mA |
|
Iout |
DC Output Sink/Source Current, per Pin |
±50 |
mA |
|
ICC |
DC VCC or GND Current per Output Pin |
±50 |
mA |
|
Tstg |
Storage Temperature |
65 to +150 |
The MC74AC74/74ACT74 is a dual D-type flip-flop with Asynchronous Clear and Set inputs and complementary (Q,Q) outputs. Information of MC74AC74 at the input is transferred to the outputs on the positive edge of the clock pulse. Clock triggering occurs at a voltage level of the clock pulse and is not directly related to the transition time of the positive-going pulse. After the Clock Pulse input threshold voltage has been passed, the Data input is locked out and information present will not be transferred to the outputs until the next rising edge of the Clock Pulse input.
Asynchronous Inputs:
LOW input to S D (Set) sets Q to HIGH level
LOW input to C D (Clear) sets Q to LOW level
Clear and Set are independent of clock
Simultaneous LOW on C D and S D makes both Q and Q HIGH