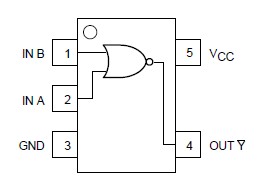
Features: • High Speed: tPD = 7 ns (Typ) at VCC = 5 V• Low Power Dissipation: ICC = 1 A (Max) at TA = 25C• High Noise Immunity• Balanced Propagation Delays (tPLH = tPHL)• Symmetrical Output Impedance (IOH = IOL = 2 mA)• Chip Complexity: FET = 40PinoutSpecifica...
MC74HC1G02: Features: • High Speed: tPD = 7 ns (Typ) at VCC = 5 V• Low Power Dissipation: ICC = 1 A (Max) at TA = 25C• High Noise Immunity• Balanced Propagation Delays (tPLH = tPHL)...
SeekIC Buyer Protection PLUS - newly updated for 2013!
268 Transactions
All payment methods are secure and covered by SeekIC Buyer Protection PLUS.
Features: Operating range: 38 to 47 Gb/s (min.) (note)Signal regeneration with full-rate clock sig...

|
Symbol |
Parameter |
Value |
Unit |
|
VCC |
DC Supply Voltage |
-0.5 to +7.0 |
V |
|
VIN |
DC Input Voltage |
-0.5 to VCC+0.5 |
V |
|
VOUT |
DC Output Voltage |
-0.5 to VCC+0.5 |
V |
|
IIK |
DC Input Diode Current |
±20 |
mA |
|
IOK |
DC Output Diode Current |
±20 |
mA |
|
IOUT |
DC Output Sink Current |
±12.5 |
mA |
|
ICC |
DC Supply Current per Supply Pin |
±25 |
mA |
|
TSTG |
Storage Temperature Range |
-65 to +150 |
|
|
TL |
Lead Temperature, 1 mm from Case for 10 Seconds |
260 |
|
|
TJ |
Junction Temperature Under Bias |
+150 |
|
|
JA |
Thermal Resistance SC70−5/SC−88A (Note 1)TSOP−5 |
350 |
/W |
|
PD |
Power Dissipation in Still Air at 85 SC70−5/SC−88A |
150 |
mW |
|
MSL |
Moisture Sensitivity |
Level 1 |
|
|
FR |
Flammability Rating Oxygen Index: 28 to 34 |
UL 94 V−0 @ 0.125 in |
|
|
VESD |
ESD Withstand Voltage Human Body Model (Note 2) |
>2000 |
|
|
ILATCH+UP |
Latch−Up Performance Above VCC and Below GND at 125(Note 5) |
±500 |
mA |
The MC74HC1G02 is a high−speed CMOS 2−input NOR gate fabricated with silicon gate CMOS technology.
The internal circuit is composed of multiple stages, including a buffer output which provides high noise immunity and stable output. The MC74HC1G02 output drive current is 1/2 compared to the MC74HC series