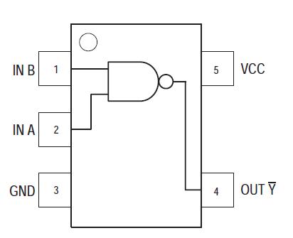
Features: • High Speed: tPD = 3.0ns (Typ) at VCC = 5V• Low Power Dissipation: ICC = 2A (Max) at TA = 25°C• Power Down Protection Provided on Inputs• Balanced Propagation Delays• Pin and Function Compatible with Other Standard Logic Families• Latchup Performance ...
MC74VHC1G00: Features: • High Speed: tPD = 3.0ns (Typ) at VCC = 5V• Low Power Dissipation: ICC = 2A (Max) at TA = 25°C• Power Down Protection Provided on Inputs• Balanced Propagation Dela...
SeekIC Buyer Protection PLUS - newly updated for 2013!
268 Transactions
All payment methods are secure and covered by SeekIC Buyer Protection PLUS.
Features: Operating range: 38 to 47 Gb/s (min.) (note)Signal regeneration with full-rate clock sig...

| Characteristics | Symbol | Value | Unit |
| DC Supply Voltage | VCC | 0.5 to +7.0 | V |
| DC Input Voltage | VIN | 0.5 to +7.0 | V |
| DC Output Voltage VCC = 0 High or Low State |
VOUT | 0.5 to 7.0 0.5 to VCC + 0.5 |
V |
| Input Diode Current | IIK | 20 | mA |
| Output Diode Current (VOUT < GND; VOUT > VCC ) | IOK | +20 | mA |
| DC Output Current, per Pin | IOUT | +25 | mA |
| DC Supply Current, VCC and GND | ICC | +50 | mA |
| Power dissipation in still air, SC88A † | PD | 200 | mW |
| Lead temperature, 1 mm from case for 10 s | TL | 260 | °C |
| Storage temperature | Tstg | 65 to +150 | °C |