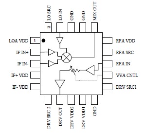
Features: • Highly integrated upconverter and driver amplifier• High linear output power, +5 dBm• Variable gain control• Low LO drive level, -5 dBm• Single 3.0 V supply• Miniature 5 mm MLF plastic packagePinoutDescriptionM/A-COM's MD59-0039 upconverter IC for ce...
MD59-0039: Features: • Highly integrated upconverter and driver amplifier• High linear output power, +5 dBm• Variable gain control• Low LO drive level, -5 dBm• Single 3.0 V supply...
SeekIC Buyer Protection PLUS - newly updated for 2013!
268 Transactions
All payment methods are secure and covered by SeekIC Buyer Protection PLUS.

M/A-COM's MD59-0039 upconverter IC for cellular CDMA applications integrates a mixer, RF amplifier, IF amplifier, and
LO buffer in a 5 millimeter (mm) square plastic micro leadframe package with exposd back side for improved high
frequency grounding.
M/A-COM designed the MD59-0039 to operate with balanced IF inputs and a single-ended RF output with a frequency in the 800 to 900 MHz frequency band. The maximum conversion gain is 24 dB, with a minimum 15 dB of gain range. The MD59-0039 can produce 5 dBm of linear output power, with an associated ACPR of - 56 dBc (IS-98). An internal LO buffer amplifier allows the device to accommodate low LO drive levels in the range of - 10 dBm to - 5 dBm.
M/A-COM fabricates the MD59-0039 using a 0.5 micron low noise GaAs MESFET process. The process features full
passivation for increased performance and reliability.