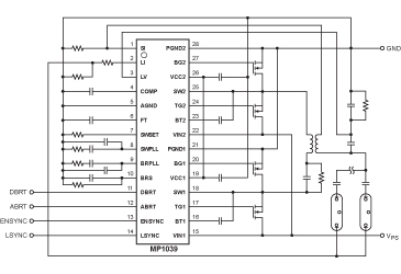
PinoutDescriptionThe MP1039 is a fixed operating frequency inverter controller that controls four external NChannel power MOSFETs in a full-bridge configuration. The inverter is designed to power one or more cold cathode fluorescent lamps (CCFL) to backlight liquid crystal displays. MP1039's fullb...
MP1039: PinoutDescriptionThe MP1039 is a fixed operating frequency inverter controller that controls four external NChannel power MOSFETs in a full-bridge configuration. The inverter is designed to power on...
SeekIC Buyer Protection PLUS - newly updated for 2013!
268 Transactions
All payment methods are secure and covered by SeekIC Buyer Protection PLUS.
