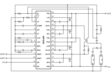
PinoutDescriptionThe MP1048 is a fixed operating frequency inverter controller that controls four external NChannel power MOSFETs in a full-bridge configuration. The inverter is designed to power up to 6 cold cathode fluorescent lamps (CCFLs) to backlight liquid crystal displays. MP1048's fullbrid...
MP1048: PinoutDescriptionThe MP1048 is a fixed operating frequency inverter controller that controls four external NChannel power MOSFETs in a full-bridge configuration. The inverter is designed to power up...
SeekIC Buyer Protection PLUS - newly updated for 2013!
268 Transactions
All payment methods are secure and covered by SeekIC Buyer Protection PLUS.
