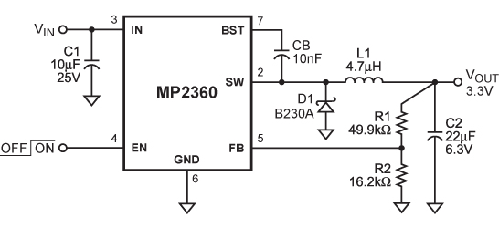
PinoutDescriptionThe MP2360 is a monolithic step-down switch mode converter with a built-in internal power MOSFET. It achieves 1.8A continuous output current over a wide input supply range with excellent load and line regulation. Current mode operation provides fast transient response and eases lo...
MP2360: PinoutDescriptionThe MP2360 is a monolithic step-down switch mode converter with a built-in internal power MOSFET. It achieves 1.8A continuous output current over a wide input supply range with exce...
SeekIC Buyer Protection PLUS - newly updated for 2013!
268 Transactions
All payment methods are secure and covered by SeekIC Buyer Protection PLUS.
US $2.14 - 2.74 / Piece
Switching Converters, Regulators & Controllers 3A, 28V, 360kHz Synchronous Buck
US $1.87 - 1.95 / Piece
Switching Converters, Regulators & Controllers 3A, 28V, 360kHz Synchronous Buck
