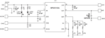
PinoutDescriptionThe MP2631 is a linear, high performance single cell Li-Ion or Li-Polymer battery charger with 10mA LDO. By integrating high voltage input protection into the charger IC, the MP2631 can tolerate an input surge up to 28V. The internal 5V LDO can be used as a system watchdog supply ...
MP2631: PinoutDescriptionThe MP2631 is a linear, high performance single cell Li-Ion or Li-Polymer battery charger with 10mA LDO. By integrating high voltage input protection into the charger IC, the MP2631...
SeekIC Buyer Protection PLUS - newly updated for 2013!
268 Transactions
All payment methods are secure and covered by SeekIC Buyer Protection PLUS.
