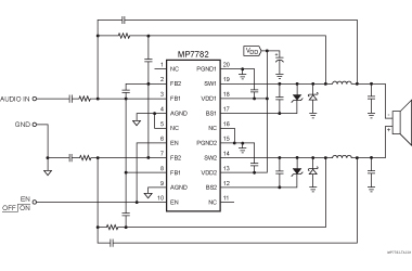
PinoutDescriptionThe MP7782 is a mono, 50W Class D Audio Amplifier. It is one of MPS? second generation fully integrated audio amplifiers which dramatically reduces solution size by integrating four 180m power MOSFETs in a space saving TSSOP20 package. The MP7782 utilizes a full bridge output stru...
MP7782: PinoutDescriptionThe MP7782 is a mono, 50W Class D Audio Amplifier. It is one of MPS? second generation fully integrated audio amplifiers which dramatically reduces solution size by integrating four...
SeekIC Buyer Protection PLUS - newly updated for 2013!
268 Transactions
All payment methods are secure and covered by SeekIC Buyer Protection PLUS.
US $1.04 - 1.31 / Piece
Audio Amplifiers 20W, Class-D Mono Single-End Audio Amp
