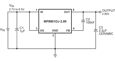
PinoutDescriptionThe MP8801 is a low-noise, low-dropout linear regulator. It operates from a 2.7V to 6.5V input voltage and regulates the output voltage with 2% accuracy at 2.5V, 2.85V or 3.3V. The internally set output voltage may be overridden with an external resistor divider from 1.25V to 5V. ...
MP8801: PinoutDescriptionThe MP8801 is a low-noise, low-dropout linear regulator. It operates from a 2.7V to 6.5V input voltage and regulates the output voltage with 2% accuracy at 2.5V, 2.85V or 3.3V. The ...
SeekIC Buyer Protection PLUS - newly updated for 2013!
268 Transactions
All payment methods are secure and covered by SeekIC Buyer Protection PLUS.
US $.31 - .4 / Piece
Low Dropout (LDO) Regulators 150mA Linear Reg 2.85V fixed & adj
US $.41 - .52 / Piece
Low Dropout (LDO) Regulators 250mA Linear Reg 3.3V fixed & adj
US $.22 - .23 / Piece
Low Dropout (LDO) Regulators 250mA Linear Reg 3.3V fixed & adj
