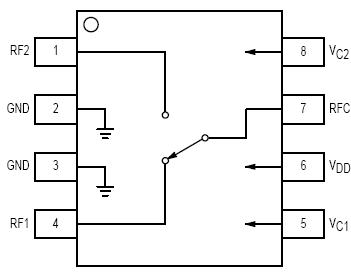
PinoutSpecifications Rating SymboL Value Unit Supply Voltage VDD 10 Vdc Control Voltage VC1, VC2 VDD + 0.8, VDD 12 Vdc Power Dissipation PD 1.0 W Power Input (Nonselected Port) Pin 0.325 W Ambient Operating Temperature TA 35...
MRFIC0903: PinoutSpecifications Rating SymboL Value Unit Supply Voltage VDD 10 Vdc Control Voltage VC1, VC2 VDD + 0.8, VDD 12 Vdc Power Dissipation PD 1.0 W...
SeekIC Buyer Protection PLUS - newly updated for 2013!
268 Transactions
All payment methods are secure and covered by SeekIC Buyer Protection PLUS.

|
Rating |
SymboL |
Value |
Unit |
| Supply Voltage |
VDD |
10 |
Vdc |
| Control Voltage |
VC1, VC2 |
VDD + 0.8, VDD 12 |
Vdc |
| Power Dissipation |
PD |
1.0 |
W |
| Power Input (Nonselected Port) |
Pin |
0.325 |
W |
| Ambient Operating Temperature |
TA |
35 to +85 |
|
| Storage Temperature |
Tstg |
65 to +150 |
The MRFIC0903 is an integrated GaAs SPDT switch designed for transceivers operating in the 100 MHz to 2.0 GHz frequency range. The design utilizes Motorola's advanced GaAs RF process to yield superior performance in a cost effective monolithic device. Applications for the MRFIC0903 include Class 4 and 5 GSM, Class 1 and 2 DCS1800, DCS1900, DAMPS, PDC, digital cellular systems as well as analog cellular systems.