Features: • Internal control latches and address decoder• Short set-up and hold times• Wide operating voltage: 4.5 V to 13.2 V• 12Vpp analog signal capability• RON 65 max. @ VDD = 12 V, 25• RON 10 @ VDD = 12 V, 25• Full CMOS switch for low distortionR...
MT8816AE1: Features: • Internal control latches and address decoder• Short set-up and hold times• Wide operating voltage: 4.5 V to 13.2 V• 12Vpp analog signal capability• RON 65 ...
SeekIC Buyer Protection PLUS - newly updated for 2013!
268 Transactions
All payment methods are secure and covered by SeekIC Buyer Protection PLUS.

| Parameter | Symbol | Min | Max | Units | |
| 1 | Supply Voltage | VDD VSS |
-0.3 -0.3 |
16.0 VDD+0.3 |
V V |
| 2 | Analog Input Voltage | VINA | -0.3 | VDD+0.3 | V |
| 3 | Digital Input Voltage | VIN | VSS-0.3 | VDD+0.3 | V |
| 4 | Current on any I/O Pin | I | ±15 | mA | |
| 5 | Storage Temperature | TS | -65 | +150 | |
| 6 | Package Power Dissipation PLASTIC DIP CERDIP |
PD |
0.6 |
W W |
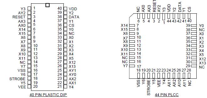
The Zarlink MT8816 is fabricated in Zarlink's ISOCMOS technology providing low power dissipation and high reliability. The device contains a 8 x 16 array of crosspoint switches along with a 7 to 128 line decoder and latch circuits. Any one of the 128 switches can be addressed by selecting the appropriate seven address bits. The selected switch MT8816AE1 can be turned on or off by applying a logical one or zero to the DATA input. VSS is the ground reference of the digital inputs. The range of the analog signal of MT8816AE1 is from VDD to VEE. Chip Select (CS) of MT8816AE1 allows the crosspoint array to be cascaded for matrix expansion.