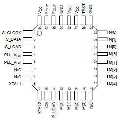
Features: • Best-in-Class Output Jitter Performance, ±20 ps Peak-to-Peak• 25 MHz to 400 MHz Programmable Differential PECL Outputs• Fully Integrated Phase-Lock-Loop with Internal Loop Filter• Parallel Interface for Programming Counter and Output Dividers uring Power-Up̶...
NBC12429: Features: • Best-in-Class Output Jitter Performance, ±20 ps Peak-to-Peak• 25 MHz to 400 MHz Programmable Differential PECL Outputs• Fully Integrated Phase-Lock-Loop with Internal L...
SeekIC Buyer Protection PLUS - newly updated for 2013!
268 Transactions
All payment methods are secure and covered by SeekIC Buyer Protection PLUS.
US $4.94 - 6.32 / Piece
Phase Locked Loops (PLL) 3.3V/5V Programmable PLL Clock Generator


|
Symbol |
Parameter | Condition 1 | Condition 2 |
Rating |
Units |
|
VCC |
Positive Supply | GND = 0 V | - |
6 |
V |
|
VI |
Input Voltage | GND = 0 V | VI VCC |
6 |
V |
|
Iout |
Output Current | Continuous Surge |
- |
50 100 |
mA mA |
|
TA |
Operating Temperature Range | - | - |
0 to +70 |
|
|
Tstg |
Storage Temperature Range | - | - |
-65 to +150 |
|
|
JA |
Thermal Resistance (Junction to Ambient) | 0 LFPM 500 LFPM |
28 PLCC 28 PLCC |
63.5 43.5 |
/W /W |
|
JC |
Thermal Resistance (Junction to Case) | std bd | 28 PLCC |
22 to 26 |
/W |
|
JA |
Thermal Resistance (Junction to Ambient) | 0 LFPM 500 LFPM |
32 LQFP |
80 55 |
/W /W |
|
JC |
Thermal Resistance (Junction to Case) | std bd | 32 LQFP |
12 to 17 |
/W |
|
Tsol |
Wave Solder | < 3 sec @ 248 | - |
265 |
The NBC12429 is a general purpose, PLL based synthesized clock ource. The VCO will operate over a frequency range of 200 MHz to 00 MHz. The VCO frequency is sent to the N-output divider, where t can be configured to provide division ratios of 1, 2, 4, or 8. The VCO nd output frequency can be programmed using the parallel or serial nterfaces to the configuration logic. Output frequency steps of .0 MHz can be achieved using a 16 MHz crystal, depending on the utput dividers. The NBC12429 PLL loop filter is fully integrated and does not equire any external components.