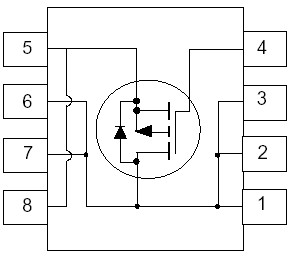
Features: `-4.4A, -30V. RDS(ON) = 0.053 @ VGS = -10V RDS(ON) = 0.095 @ VGS = -4.5V`High density cell design for extremely low RDS(ON).`Enhanced SuperSOTTM-8 small outline surface mount`package with high power and current handling capability.PinoutSpecifications Symbol Parameter NDH84...
NDH8447: Features: `-4.4A, -30V. RDS(ON) = 0.053 @ VGS = -10V RDS(ON) = 0.095 @ VGS = -4.5V`High density cell design for extremely low RDS(ON).`Enhanced SuperSOTTM-8 small outline surface mount`package with ...
SeekIC Buyer Protection PLUS - newly updated for 2013!
268 Transactions
All payment methods are secure and covered by SeekIC Buyer Protection PLUS.

|
Symbol |
Parameter |
NDH8447 |
Units | |
|
VDSS VGSS |
Drain-Source Voltage Gate-Source Voltage |
-30 -20 -4.4 -20 1.8 1 0.9 -55 to 150 |
V V A W °C | |
|
ID |
Drain Current Continuous Pulsed | (Note 1a) | ||
|
PD |
Maximum Power Dissipation | (Note 1a) (Note 1b) (Note 1c) | ||
| TJ,TSTG | Operating and Storage Temperature Range | |||
| RJA RJC |
Thermal Resistance, Junction-to-Ambient Thermal Resistance, Junction-to-Case |
(Note 1a) (Note 1) |
70 |
°C/W °C/W |
These P-Channel enhancement mode power field effect transistors NDH8447 are produced using Fairchild's proprietary, high cell density, DMOS technology. This very high density process is especially tailored to minimize on-state resistance and provide superior switching performance. NDH8447 is particularly suited for low voltage applications such as notebook computer power management and other battery powered circuits where fast switching, low in-line power loss, and resistance to transients are needed.