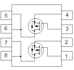
MOSFET DISC BY MFG 2/02
SeekIC Buyer Protection PLUS - newly updated for 2013!
268 Transactions
All payment methods are secure and covered by SeekIC Buyer Protection PLUS.
| Transistor Polarity : | N and P-Channel | Drain-Source Breakdown Voltage : | 30 V |
| Gate-Source Breakdown Voltage : | +/- 20 V | Continuous Drain Current : | 3.8 A, - 2.7 A |
| Configuration : | Dual Dual Drain | Maximum Operating Temperature : | + 150 C |
| Mounting Style : | SMD/SMT | Package / Case : | SuperSOT-8 |
| Packaging : | Reel |

|
Symbol |
Parameter |
N-Channel |
P-Channel |
Units | |
|
VDSS VGSS |
Drain-Source Voltage Gate-Source Voltage - Continuous |
30 ±20 3.8 10.5 |
-30 ±20 -2.7 -8 |
V V A W °C | |
|
ID |
Drain Current Continuous Pulsed | (Note 1) | |||
|
PD |
Power Dissipation for Single Operation | (Note 1) |
0.8 -55 to 150 | ||
| TJ,TSTG | Operating and Storage Junction Temperature Range | ||||
| RJA RJC |
Thermal Resistance, Junction-to-Ambient Thermal Resistance, Junction-to-Case |
(Note 1) (Note 1) |
156 |
°C/W °C/W |
These dual N- and P-Channel enhancement mode power field effect transistors NDH8521C are produced using Fairchild's proprietary, high cell density, DMOS technology. This very high density process is especially tailored to minimize on-state resistance and provide superior switching performance. NDH8521C is particularly suited for low voltage applications such as notebook computer power management and other battery powered circuits where fast switching, low in-line power loss, and resistance to transients are needed.