Features: *Low Voltage Operation +2.8V typ.*Low Current Consumption LNA 2.8mA typ. Mixer 6.0mA typ. (with local amplifier operation current)*Ultra Small & Ultra Thin package FLP10-C1 (Mount Size: 2.8x3.0x0.75mm)·LNA*High Small Signal Gain 18.0dB typ. @fRF=820MHz*Low Noise Figure 1.3dB typ. @fR...
NJG1711KC1: Features: *Low Voltage Operation +2.8V typ.*Low Current Consumption LNA 2.8mA typ. Mixer 6.0mA typ. (with local amplifier operation current)*Ultra Small & Ultra Thin package FLP10-C1 (Mount Size...
SeekIC Buyer Protection PLUS - newly updated for 2013!
268 Transactions
All payment methods are secure and covered by SeekIC Buyer Protection PLUS.

|
PARAMETER |
SYMBOL |
CONDITIONS |
RATINGS |
UNIT |
| LNA Voltage |
VLNA |
5.0 |
V | |
| Mixer Voltage |
VMIX |
5.0 |
V | |
| LOCAL Amplifier Voltage |
VLO |
5.0 |
V | |
| Input Power 1 |
PLNAIN |
VLNA=VMIX=VLO=2.8V |
+15 |
dBm |
| Input Power 2 |
PLOIN |
VLNA=VMIX=VLO=2.8V |
+10 |
dBm |
| Power Dissipation |
PD |
550 |
mW | |
| Operating Temperature |
Topr |
-40~+85 |
°C | |
| Storage Temperature |
Tstg |
-55~+125 |
°C |
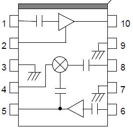
NJG1711KC1 is a front-end GaAs MMIC including a LNA,a local amplifier and a mixer, designed mainly for 800MHz band cellular phone handsets.
The ultra small & ultra thin FLP10-C1 package is applied.