Features: · Low Voltage Operation +2.8V typ.· Low Current Consumpti0n +8.7mA typ· Low Control Current 20uA typ. [LNA]· High gain 17.5dB typ. @f=830MHz 17.5dB typ. @f=840MHz· Low noise figure 1.5dB typ. @f=830MHz 1.5dB typ. @f=840MHz· High input IP3 -7dBm typ. @f=830.0+830.1MHz -7dBm typ. @f=840.0+...
NJG1720PB1: Features: · Low Voltage Operation +2.8V typ.· Low Current Consumpti0n +8.7mA typ· Low Control Current 20uA typ. [LNA]· High gain 17.5dB typ. @f=830MHz 17.5dB typ. @f=840MHz· Low noise figure 1.5dB t...
SeekIC Buyer Protection PLUS - newly updated for 2013!
268 Transactions
All payment methods are secure and covered by SeekIC Buyer Protection PLUS.
· Low Voltage Operation +2.8V typ.
· Low Current Consumpti0n +8.7mA typ
· Low Control Current 20uA typ. [LNA]
· High gain 17.5dB typ. @f=830MHz 17.5dB typ. @f=840MHz
· Low noise figure 1.5dB typ. @f=830MHz 1.5dB typ. @f=840MHz
· High input IP3 -7dBm typ. @f=830.0+830.1MHz -7dBm typ. @f=840.0+840.1MHz
· High conversion gain 11.5dB typ. @f=840MHz
· Low noise figure 5.5dB typ. @f=840MHz
· High input IP3 3.0dBmtyp. @f=840.0+840.1MHz
· High RF to LO ISL 35dB typ. @ fMIXIN=840MHz, PMIXIN=0dBm
· Ultra small & thin package FFP12-B1 (Package size: 2.0x2.0x0.85mm)

| Item | Symbol | Conditions | Ratings | Unit |
| LNA Voltage | VLNA | 5.0 | V | |
| Mixer Voltage | VMIX | 5.0 | V | |
| LOCAL Amplifier Voltage | VLO | 5.0 | V | |
| Inverter supply voltage | VLNV | 5.0 | ||
| Control Voltage | VCTL | VLNV | ||
| Input Power 1 | PLNAIN | VLNA=2.8V LNAIN1, LNAIN2 ports | +15 | dBm |
| Input Power 2 | PLOIN | VMIX,VLO=2.8V RFIN, LOIN ports | +10 | dBm |
| Power Dissipation | PD | 300 | mW | |
| Operating Temperature | Topr | -40~+85 | °C | |
| Storage Temperature | Tstg | -55~+125 | °C |
· Ta=+25°C, Zs=Zl=50Ω
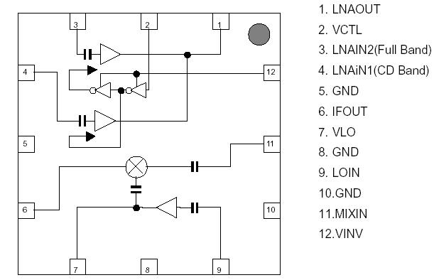
NJG1720PB1 is a front-end GaAs MMIC including a Dual LNA, inverter, a local amplifier and a mixer, designed mainly for 800MHz band cellular phone handsets. The LNAs NJG1720PB1 switching is made by 2 bit control signal by using inverter circuit included in this IC. The ultra small and thin FFP12-B1 is applied.