Features: Low Quiescent Current 250uA typ. Precision AMP. Vio=0.5mV typ. Operating Voltage 2.2V to 13V Precision Voltage Reference 1.24V±1% PC pin Sink Current 20mA max. Bipolar Technology Package Outline DMP8, TVSP8ApplicationPinoutSpecifications PARAMETER Symbol MAXIMUM RATINGS Unit ...
NJM2346: Features: Low Quiescent Current 250uA typ. Precision AMP. Vio=0.5mV typ. Operating Voltage 2.2V to 13V Precision Voltage Reference 1.24V±1% PC pin Sink Current 20mA max. Bipolar Technology Package ...
SeekIC Buyer Protection PLUS - newly updated for 2013!
268 Transactions
All payment methods are secure and covered by SeekIC Buyer Protection PLUS.


| PARAMETER | Symbol | MAXIMUM RATINGS | Unit |
| Supply Voltage | V+ | 14 |
V |
| Differential Input Voltage | VID | (Ach) 14 (Bch) 14 |
V |
| Common Mode Input Voltage | VIC | (Ach) -0.3 ∼ 14 (note) (Bch) -0.3 ∼ 14 (note) |
V |
| PC Terminal Current |
IPC |
20 |
mA |
| Power Dissipation | PD | DMP 8) 300 (TVSP 8) 320 |
mW |
| Operating Temperature Range |
TOPR | -40 ∼ +85 | °C |
| Storage Temperature Range | TSTG | -50 ∼ +150 | °C |
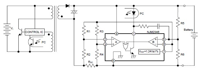
The NJM2346 is a low power operation battery charger IC. It includes a voltage reference and two operational amplifiers for voltage and current control needed for a design of secondary circuit for battery chargers and switching regulators.
Low current consumption design of NJM2346 contributes low standby power required for 1A class battery chargers.