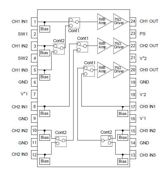
Features: Operating Voltage ±4.5 to ±5.5V Wide frequency range 0dB at 50MHz typ. Internal 3 input-1output 3-circuit video switch Internal 6dB Amplifier Internal 75 Driver Circuit Power Save Circuit Bipolar Technology Package OutlineDMP24, SDIP22PinoutSpecifications PARAMETER SYMBOL ...
NJM2586A: Features: Operating Voltage ±4.5 to ±5.5V Wide frequency range 0dB at 50MHz typ. Internal 3 input-1output 3-circuit video switch Internal 6dB Amplifier Internal 75 Driver Circuit Power Save Circui...
SeekIC Buyer Protection PLUS - newly updated for 2013!
268 Transactions
All payment methods are secure and covered by SeekIC Buyer Protection PLUS.

|
PARAMETER |
SYMBOL |
RATINGS |
UNIT |
| Supply Voltage |
V+ |
12.0 |
V |
| Power Dissipation |
PD |
500 (DMP24) 700 (SDIP22) |
mW |
| Operating Temperature Range |
Topr |
-40 to +85 |
°C |
| Storage Temperature Range |
Tstg |
-40 to +125 |
°C |
The NJM2586A is a wide band 3-input 1-output 3-circuit video amplifier. It is suitable for Y, Pb, and Pr signal because frequency range is 50MHz.This is suitable for AV receiver, STB, and other high quality AV systems.