Features: ` 5-input 3-output` Operating Voltage ±4.0 to ±6.5V` Operating current ±15mAtyp. at Vcc=±5V` Crosstalk -65dBtyp.` Internal 6dB Amplifier` Internal 75 Driver` Bipolar Technology` Package Outline DIP16,DMP16PinoutSpecifications PARAMETER SYMBOL RATINGS UNIT Supply Voltag...
NJM2595: Features: ` 5-input 3-output` Operating Voltage ±4.0 to ±6.5V` Operating current ±15mAtyp. at Vcc=±5V` Crosstalk -65dBtyp.` Internal 6dB Amplifier` Internal 75 Driver` Bipolar Technology` Pa...
SeekIC Buyer Protection PLUS - newly updated for 2013!
268 Transactions
All payment methods are secure and covered by SeekIC Buyer Protection PLUS.

| PARAMETER | SYMBOL | RATINGS | UNIT |
| Supply Voltage | V+/- | 7.0 | V |
| Power Dissipation | PD | (DIP16) 700 (DMP16) 350 |
mW |
| Operating Temperature Range | Topr | -40 to +85 | °C |
| Storage Temperature Range | Tstg | -40 to +125 | °C |
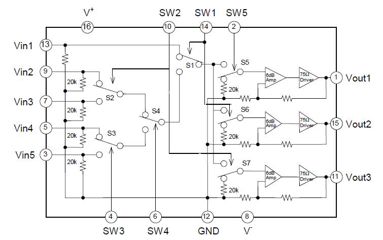
The NJM2595 is a 5-input 3-output video switch. Its switches select one from five signals received from VTR,TV,DVD, TV-GAME and others.
The NJM2595 is designed for audio items, such as AV amplifier and others.