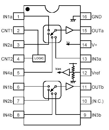
Features: · Operating Voltage (4.7 to 13V)· 4 Input / 1 Output Audio Selectors· Dual Channel for Stereo Use· Low Output Noise (-110dBV typ.)· Low Distortion (0.005% typ.)· Bipolar Technology· Package Outline (DMP16)PinoutSpecificationsSupply Voltage V+ .........................................
NJM2750: Features: · Operating Voltage (4.7 to 13V)· 4 Input / 1 Output Audio Selectors· Dual Channel for Stereo Use· Low Output Noise (-110dBV typ.)· Low Distortion (0.005% typ.)· Bipolar Technology· ...
SeekIC Buyer Protection PLUS - newly updated for 2013!
268 Transactions
All payment methods are secure and covered by SeekIC Buyer Protection PLUS.

The NJM2750 is 4 Input / 1 Output Stereo Audio Selector. Based on the internal Switch OP-AMP technology, the NJM2750 has lower Output Noise, lower Distortion and higher Channel Separation than the ordinary Multiplexers or
Analogue Switches.
The NJM2750 is suitable for any kinds of audio equipments, such as TV, Car Stereo, Mini-Compo and so on.