Features: • Tiny SOT−353 and SOT−553 Packages• 2.7 ns TPD at 5 V (typ)• Source/Sink 24 mA at 3.0 V• Over−Voltage Tolerant Inputs• Pin For Pin with NC7SZ00P5X, TC7SZ00FU and TC7SZ00AFE• Chip Complexity: FETs = 20• Designed for 1.65 V to 5....
NL17SZ00: Features: • Tiny SOT−353 and SOT−553 Packages• 2.7 ns TPD at 5 V (typ)• Source/Sink 24 mA at 3.0 V• Over−Voltage Tolerant Inputs• Pin For Pin with NC7...
SeekIC Buyer Protection PLUS - newly updated for 2013!
268 Transactions
All payment methods are secure and covered by SeekIC Buyer Protection PLUS.

| Symbol | Parameter | Value | Unit |
| VCC | DC Supply Voltage | -0.5 to +7.0 | V |
| VI | DC Input Voltage | -0.5 to +7.0 | V |
| VO | DC Output Voltage Output in Higher or Low State (Note 1) | −0.5 to VCC +0.5 | V |
| IIK | DC Input Diode Current VI < GND | ±50 | mA |
| IOK | DC Output Diode Current VO = GND VO = VCC |
−50 +50 |
mA |
| IOU | DC Output Sink Current | ±50 | mA |
| ICC | DC Supply Current per Supply Pin | ±50 | mA |
| IGND | DC Ground Current per Ground Pin | ±50 | mA |
| TSTG | Storage Temperature Range | −65 to +150 | °C |
| TL | Lead Temperature, 1 mm from Case for 10 Seconds | 260 | °C |
| TJ | Junction Temperature Under Bias | +150 | °C |
| JA | Thermal Resistance SOT- 353 (Note 1) SOT- 553 |
350 496 |
°C/W |
| PD | Power Dissipation in Still Air at 85°C SOT−353 SOT−553 |
186 135 |
mW |
| MSL | Moisture Sensitivity | Level 1 | |
| FR | Flammability Rating Oxygen Index: 28 to 34 | UL 94 V−0 @ 0.125 in | |
| ESD | ESD Classification Human Body Model (Note 4) Machine Model (Note 5) Charge Device Model (Note 6) |
Class IC Class A N/A |
V |
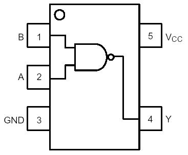
The NL17SZ00 is a single 2−input NAND Gate in two tiny footprint packages. The device performs much as LCX multi−gate products in speed and drive.