Features: • Tiny SOT−353 and SOT−553 Packages• Extremely High Speed: tPD 2.5 ns (typical) at VCC = 5.0 V• Designed for 1.65 V to 5.5 V VCC Operation, CMOS Compatible• Over Voltage Tolerant Inputs VIN may be Between 0 and 7.0 V for VCC Between 0.5 and 5.4 V•...
NL17SZ06: Features: • Tiny SOT−353 and SOT−553 Packages• Extremely High Speed: tPD 2.5 ns (typical) at VCC = 5.0 V• Designed for 1.65 V to 5.5 V VCC Operation, CMOS Compatible...
SeekIC Buyer Protection PLUS - newly updated for 2013!
268 Transactions
All payment methods are secure and covered by SeekIC Buyer Protection PLUS.

| Symbol | Parameter | Value | Unit |
| VCC | DC Supply Voltage | −0.5 to + 7.0 | V |
| VI | DC Input Voltage | −0.5 VI +7.0 | V |
| VO | DC Output Voltage Output in Higher or Low State (Note 1) | −0.5 VO +7.0 | V |
| IIK | DC Input Diode Current VI < GND | −50 | mA |
| IOK | DC Output Diode Current VO = GND VO = VCC |
−50 |
mA |
| IOU | DC Output Sink Current | ±50 | mA |
| ICC | DC Supply Current per Supply Pin | ±100 | mA |
| IGND | DC Ground Current per Ground Pin | ±100 | mA |
| TSTG | Storage Temperature Range | −65 to +150 | °C |
| TL | Lead Temperature, 1 mm from Case for 10 Seconds | 260 | °C |
| TJ | Junction Temperature Under Bias | 186 135 |
°C |
| JA | Power Dissipation in Still Air at 85°C SOT−353 (Note 2) SOT−553 |
350 496 |
°C/W |
| PD | Power Dissipation in Still Air at 85°C SOT−353 SOT−553 |
+150 | °C |
| ILatch−Up | Latchup Performance Above VCC and Below GND at 85°C (Note 5) | ±500 | |
| MSL | Moisture Sensitivity | Level 1 | mA |
| FR | Flammability Rating Oxygen Index: 28 to 34 | UL 94 V−0 @ 0.125 in | |
| VESD | ESD Classification Human Body Model (Note 3) Machine Model (Note 4) Charged Device Model (Note 5) |
Class IC Class A N/A |
V |
Maximum ratings are those values beyond which device damage can occur. Maximum ratings applied to the device are individual stress limit values (not normal operating conditions) and are not valid simultaneously. If these limits are exceeded, device functional operation is not implied, damage may occur and reliability may be affected.
1. IO absolute maximum rating must be observed.
2. Tested to EIA/JESD22−A114−A, rated to EIA/JESD22−A114−B.
3. Tested to EIA/JESD22−A115−A, rated to EIA/JESD22−A115−A.
4. Tested to JESD22−C101−A.
5. Tested to EIA/JESD78.
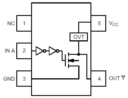
The NL17SZ06 is a high performance single inverter with open drain outputs operating from a 1.65 to 5.5 V supply.
The Output stage is open drain with Over Voltage Tolerance. This allows the NL17SZ06 to be used to interface 5.0 V circuits to circuits of any voltage between 0 and +7.0 V.