Features: `FEATURES RAIL-TO-RAIL INPUT`RAIL-TO-RAIL OUTPUT (within 1mV)`MicroSIZE PACKAGES`WIDE BANDWIDTH: 5.5MHz `HIGH SLEW RATE: 6V/s `LOW THD+NOISE: 0.0007% (f = 1kHz)`LOW QUIESCENT CURRENT: 750A/channel `SINGLE, DUAL, AND QUADApplication·DRIVING A/D CONVERTERS·PCMCIA CARDS·DATA ACQUISITION ·PR...
OPA340: Features: `FEATURES RAIL-TO-RAIL INPUT`RAIL-TO-RAIL OUTPUT (within 1mV)`MicroSIZE PACKAGES`WIDE BANDWIDTH: 5.5MHz `HIGH SLEW RATE: 6V/s `LOW THD+NOISE: 0.0007% (f = 1kHz)`LOW QUIESCENT CURRENT: 750A...
SeekIC Buyer Protection PLUS - newly updated for 2013!
268 Transactions
All payment methods are secure and covered by SeekIC Buyer Protection PLUS.
US $.5 - .51 / Piece
Operational Amplifiers - Op Amps Hi-Speed Low Noise Single Supply CMOS

Supply Voltage................................................................................5.5V
Signal Input Terminals, Voltage(2) ...................(V-) -0.5V to (V+) +0.5V
Current(2)....................................................10mA
Output Short-Circuit(3)..........................................................Continuous
Operating Temperature..................................................-55 to +125
Storage Temperature.....................................................-55 to +125
Junction Temperature.....................................................................150
Lead Temperature (soldering, 10s)................................................300
NOTES: (1) Stresses above these ratings may cause permanent damage. (2) Input terminals are diode-clamped to the power supply rails. Input signals that can swing more than 0.5V beyond the supply rails should be current- limited to 10mA or less. (3) Short-circuit to ground, one amplifier per package.
OPA340 series rail-to-rail CMOS operational amplifi- ers are optimized for low voltage, single supply opera- tion. Rail-to-rail input/output and high speed operation make them ideal for driving sampling analog-to-digital converters. They are also well suited for general pur- pose and audio applications as well as providing I/V conversion at the output of D/A converters. Single, dual, and quad versions have identical specifications for design flexibility.
The OPA340 series operates on a single supply as low as 2.5V with an input common-mode voltage range that extends 500mV below ground and 500mV above the positive supply. Output voltage swing is to within 1mV of the supply rails with a 100k? load. They offer excel- lent dynamic response (BW = 5.5MHz, SR = 6V/s), yet quiescent current is only 750?A. Dual and quad designs feature completely independent circuitry for lowest crosstalk and freedom from interaction.
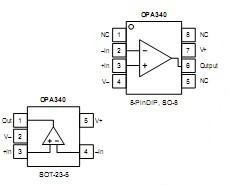
The single (OPA340) packages are the tiny 5-lead SOT-23-5 surface mount, SO-8 surface mount, and pin DIP. The dual (OPA2340) comes in the minia- ture MSOP-8 surface mount, SO-8 surface mount, and 8-pin DIP packages. The quad (OPA4340) pack- ages are the space-saving SSOP-16 surface mount, SO-14 surface mount, and the 14-pin DIP. All are specified from -40 to +85 and operate from -55 to +125. A SPICE macromodel is available for design analysis.