Features: OTA FEATURES` Wide Bandwidth (80MHz, Open-Loop, G = +5)` High Slew Rate (900V/s)` High Transconductance (95mA/V)` External IQ-ControlBUFFER FEATURES` Closed-Loop Buffer` Wide Bandwidth (1600MHz, VO = 1VPP)` High Slew Rate (4000V/s)` 60mA Output CurrentOPA860 FEATURES` Low Quiescent Curre...
OPA860: Features: OTA FEATURES` Wide Bandwidth (80MHz, Open-Loop, G = +5)` High Slew Rate (900V/s)` High Transconductance (95mA/V)` External IQ-ControlBUFFER FEATURES` Closed-Loop Buffer` Wide Bandwidth (16...
SeekIC Buyer Protection PLUS - newly updated for 2013!
268 Transactions
All payment methods are secure and covered by SeekIC Buyer Protection PLUS.
· Baseline Restore Circuits
· Video/Broadcast Equipment
· Communications Equipment
· High-Speed Data Acquisition
· Wideband LED Driver
· AGC-Multiplier
· ns-Pulse Integrator
· Control Loop Amplifier
· OPA660 Upgrade

Power Supply ........................................................±6.5VDC
Internal Power Dissipation ...........See Thermal Information
Differential Input Voltage ..........................................±1.2V
Input Common-Mode Voltage Range ............................±VS
Storage Temperature Range: D ............40°C to +125°C
Lead Temperature (soldering, 10s) ........................+300°C
Junction Temperature (TJ) .......................................+150°C
ESD Rating:
Human Body Model (HBM)(2) ..................................1500V
Charge Device Model (CDM) ....................................1000V
(1) Stresses above these ratings may cause permanent damage. Exposure to absolute maximum conditions for extended periods may degrade device reliability. These are stress Ratings only, and functional operations of the device at these and any other conditions beyond those specified is not supported.
(2) Pin 2 > 500V HBM.
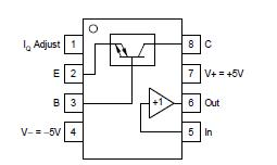
The OPA860 is a versatile monolithic component designed for wide-bandwidth systems, including high performance video, RF and IF circuitry. It includes a wideband, bipolar operational transconductance amplifier (OTA), and voltage buffer amplifier.
The OTA or voltage-controlled current source can be viewed as an ideal transistor. Like a transistor, it has three terminals-a high impedance input (base), a low-impedance input/output (emitter), and the current output (collector). The OTA, however, is self-biased and bipolar. The output collector current is zero for a zero base-emitter voltage. AC inputs centered about zero produce an output current, which is bipolar and centered about zero. The transconductance of the OTA can be adjusted with an external resistor,allowing bandwidth, quiescent current, and gain trade-offs to be optimized.
Also included in the OPA860 is an uncommited closed-loop, unity-gain buffer. This provides 1600MHz bandwidth and 4000V/s slew rate.
Used as a basic building block, the OPA860 sim-plifies the design of AGC amplifiers, LED driver circuits for fiber optic transmission, integrators for fast pulses, fast control loop amplifiers and control amplifiers for capacitive sensors and active filters. The OPA860 is available in an SO-8 surface-mount pack-age.