Features: * MONOLITHIC MOS TECHNOLOGY* LOW COST* HIGH VOLTAGE OPERATION-350V* LOW QUIESCENT CURRENT TYP.-2.2mA* NO SECOND BREAKDOWN* HIGH OUTPUT CURRENT-120mA PEAK* AVAILABLE IN DIE FORM-CPA241Application* PIEZO ELECTRIC POSITIONING* ELECTROSTATIC TRANSDUCER & DEFLECTION* DEFORMABLE MIRROR FOC...
PA241: Features: * MONOLITHIC MOS TECHNOLOGY* LOW COST* HIGH VOLTAGE OPERATION-350V* LOW QUIESCENT CURRENT TYP.-2.2mA* NO SECOND BREAKDOWN* HIGH OUTPUT CURRENT-120mA PEAK* AVAILABLE IN DIE FORM-CPA241Appli...
SeekIC Buyer Protection PLUS - newly updated for 2013!
268 Transactions
All payment methods are secure and covered by SeekIC Buyer Protection PLUS.

| Output Current MAX (A) | Supply Voltage MAX (V) | Slew Rate TYP (V/s) | Standby Current MAX (mA) | Power Dissipation MAX (W) |
|---|---|---|---|---|
| 0.06 | 350 | 40 | 2.5 | 12 |
The PA241 is a high voltage monolithic MOSFET operational amplifier which achieves performance features previously found only in hybrid designs while increasing reliability. Inputs of PA241 are protected from excessive common mode and differential mode voltages. The safe operating area (SOA) PA241 has no second breakdown limitation and can be observed with all type loads by choosing an appropriate current limiting resistor. External compensation provides the user flexibility in choosing optimum gain and bandwidth for the application.
The PA241CE is packaged in a hermetically sealed 8-pin TO-3 package. The metal case of the PA241CE is isolated in excess of full supply voltage. The PA241CEA is the A grade version, the PA241CEM is the non-certified military grade version.
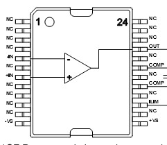
The PA241DF is packaged in a 24 pin PSOP (JEDEC MO-166) package. The metal heat slug of the PA241DF is isolated in excess of full supply voltage.
The PA241DW is packaged in Apex's hermetic ceramic SIP package. The alumina ceramic isolates the die in excess of full supply voltage. The PA241DWA is the A grade version.
Applications:
The PA241 is a high voltage monolithic MOSFET operational amplifier which achieves performance features previously found only in hybrid designs while increasing reliability. Inputs are protected from excessive common mode and differential mode voltages. The safe operating area (SOA) has no second breakdown limitation and can be observed with all type loads by choosing an appropriate current limiting resistor. External compensation provides the user flexibility in choosing optimum gain and bandwidth for the application.
The PA241CE is packaged in a hermetically sealed 8-pin TO-3 package. The metal case of the PA241CE is isolated in excess of full supply voltage.
The PA241DF is packaged in a 24 pin PSOP (JEDEC MO-166) package. The metal heat slug of the PA241DF is isolated in excess of full supply voltage.
The PA241DW is packaged in Apex's hermetic ceramic SIP package. The alumina ceramic isolates the die in excess of full supply voltage.