Features: • CMOS EPROM technology for reprogrammability• High performance at quarter power-tPD = 25 ns-tS = 20 ns-tCO = 15 ns-ICC = 45 mA• High performance at military temperature-tPD = 20 ns-tS = 20 ns-tCO = 15 ns-ICC = 70 mA• Commercial and military temperature range̶...
PALC16R4: Features: • CMOS EPROM technology for reprogrammability• High performance at quarter power-tPD = 25 ns-tS = 20 ns-tCO = 15 ns-ICC = 45 mA• High performance at military temperature-...
SeekIC Buyer Protection PLUS - newly updated for 2013!
268 Transactions
All payment methods are secure and covered by SeekIC Buyer Protection PLUS.

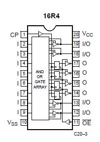
Cypress PALC20 Series devices are high- speed electrically programmable and UV- erasable logic devices ofPALC16R4 produced in a proprietary N-well CMOS EPROM process. PALC16R4 utilize a sum-of-products (AND-OR) structure providing users with the ability to program custom logic functions serving unique requirements.
PALs PALC16R4are offered in 20-pin plastic and ceramic DIP, plastic SOJ, and ceramic LCC packages. The ceramic package can be equipped with an erasure window; when exposed to UV light, the PAL is erased and can then be reprogrammed.
Before programming, AND PALC16R4 gates or product terms are connected via EPROM cells to both true and complement inputs.
Programming an EPROM cell disconnects an input term from a product term. Selective programming of PALC16R4 allows a specific logic function to be implemented in a PALC device.
PALC PALC16R4 devices are supplied in four functional configurations designated 16R8, 16R6, 16R4, and 16L8. These 8 devices have potentially 16 inputs and 8 outputs configurable by the user. Output configurations of PALC16R4 of 8 registers, 8 combinatorial, 6 registers and 2 combinatorial as well as 4 registers and 4 combinatorial are provided by the 4 functional variations of the product family.