Features: • 75 Ω characteristic impedance• Integrated 75 Ω 0.25 watt terminations• CTB performance of -90 dBc• High isolation 65 dB at 1000 MHz• Low insertion loss: typically 0.5 dB at 5 MHz, 0.9 dB at 1000 MHz• High input IP3: >50 dBm• CMOS...
PE4256: Features: • 75 Ω characteristic impedance• Integrated 75 Ω 0.25 watt terminations• CTB performance of -90 dBc• High isolation 65 dB at 1000 MHz• Low inserti...
SeekIC Buyer Protection PLUS - newly updated for 2013!
268 Transactions
All payment methods are secure and covered by SeekIC Buyer Protection PLUS.

| Symbol | Parameter/Conditions | Min | Max | Units |
| VDD | Power supply voltage | -0.3 | 4.0 | V |
| VI | Voltage on CTRL input | -0.3 | VDD + 0.3 | V |
| PRF | RF CW power | 24 | dBm | |
| TST | Storage temperature range | -65 | 150 | °C |
| TOP | Operating temperature | -40 | 85 | °C |
| VESD | ESD voltage (Human Body Model) |
1000 | V |
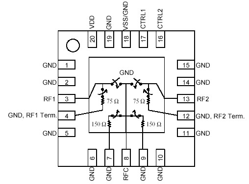
The PE4256 is an UltraCMOS™ Switch designed for CATV applications, covering a broad frequency range from DC up to 3000 MHz. This single-supply SPDT switch integrates a twopin CMOS control interface. It also provides low insertion loss with extremely low bias requirements while operating on a single 3-volt supply. In a typical CATV application, the PE4256 provides for a cost effective and manufacturable solution when compared to mechanical relays.
The PE4256 is manufactured in Peregrine's patented Ultra Thin Silicon (UTSi®) CMOS process, offering the performance of GaAs with the economy and integration of conventional CMOS.