Features: •ESD protection of up to six lines•Low diode capacitance•Max. peak pulse power: PPP = 35 W•Low clamping voltage: V(CL)R = 15 V•Ultra low leakage current: IRM = 8 nA•ESD protection of up to 20 kV•IEC 61000-4-2, level 4 (ESD)•IEC 61000-4-5 (s...
PESD5V0L6UAS: Features: •ESD protection of up to six lines•Low diode capacitance•Max. peak pulse power: PPP = 35 W•Low clamping voltage: V(CL)R = 15 V•Ultra low leakage current: IRM ...
SeekIC Buyer Protection PLUS - newly updated for 2013!
268 Transactions
All payment methods are secure and covered by SeekIC Buyer Protection PLUS.

|
Symbol |
Parameter |
Conditions |
Min |
Max |
Unit |
| Per diode | |||||
| PPP | peak pulse power | 8/20 s pulse; |
[1][2] - |
35 |
W |
| IPP | peak pulse current | 8/20 s pulse; |
[1][2] - |
2.5 |
A |
| Tj | junction temperature |
- |
150 |
°C | |
| Tamb | operating ambient temperature |
-65 |
+150 |
°C | |
| Tstg | storage temperature |
-65 |
+150 |
°C | |
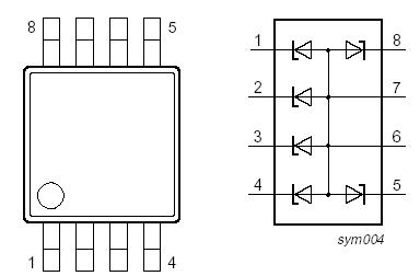
Low capacitance 6-fold ESD protection diode arrays in small plastic packages of PESD5V0L6UAS designed to protect up to six transmission or data lines from the damage caused by ElectroStatic Discharge (ESD) and other transients.