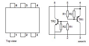
Features: · Built-in bias resistors· Simplifies circuit design· Reduces component count· Reduces pick and place costs.Application· General purpose switching and amplification· Inverter and interface circuits· Circuit driver.PinoutDescriptionPIMD2: NPN/PNP resistor-equipped transistors (see Simpli...
PIMD2: Features: · Built-in bias resistors· Simplifies circuit design· Reduces component count· Reduces pick and place costs.Application· General purpose switching and amplification· Inverter and interface...
SeekIC Buyer Protection PLUS - newly updated for 2013!
268 Transactions
All payment methods are secure and covered by SeekIC Buyer Protection PLUS.
