Features: • Low On-Resistance (16 typ) Minimizes Distortion and Error Voltages• Low Glitching Reduces Step Errors in Sample-and-Holds. Charge Injection, 3pC typ• Single Supply (+3V to +15V) or Split-Supply (+3V to +8V) Operation• Improved Second Sources for MAX381/MAX383/MA...
PS385: Features: • Low On-Resistance (16 typ) Minimizes Distortion and Error Voltages• Low Glitching Reduces Step Errors in Sample-and-Holds. Charge Injection, 3pC typ• Single Supply (+3V...
SeekIC Buyer Protection PLUS - newly updated for 2013!
268 Transactions
All payment methods are secure and covered by SeekIC Buyer Protection PLUS.
US $12.21 - 13.15 / Piece
EMI/RFI Suppressors & Ferrites PCB Shield Enclosure Adhesive Base
US $38.12 - 41.05 / Piece
EMI/RFI Suppressors & Ferrites PCB Shield Enclosure Adhesive Base

The PS381/PS383/PS385 are improved high precision, medium voltage analog switches designed to operate with +3V to +8V power supplies.
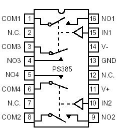
The PS381 has two normally open (NO) switches. The PS383 is a dual, single-pole double-throw (SPDT) switch. The PS385 is a dual, double-pole single-throw (DPST) function. Each switch conducts current equally well in either direction when on. In the off state each switch blocks voltages up to the power-supply rails.
With ±5V power supplies, the PS381/PS383/PS385 guarantee <3on-resistance. On-resistance matching between channels is within 2. On-resistance flatness is less than 4 over the specified range. All three devices feature low leakage currents (<2 pA @ 25oC, <2.5nA @ +85oC) and fast switching speeds (tON < 130ns). Break-before-make switching action protects against momentary crosstalk (PS383).
These switches PS385 are fully specified for single +5V operation, with <45RON, <2RON match, and <4 RON flatness.
For operation below 5V the PI5A381A/PI5A383A/PI5A385A are also recommended.