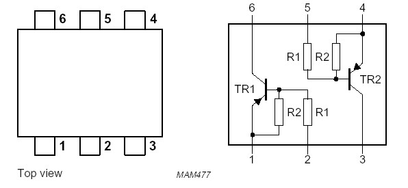
Features: · Built-in bias resistors· Simplified circuit design· Reduction of component count· Reduced pick and place costs.Application· Low current peripheral drivers· Replacement of general purpose transistors in digital applications· Control of IC inputs.PinoutSpecifications SYMBOL PARAME...
PUMB9: Features: · Built-in bias resistors· Simplified circuit design· Reduction of component count· Reduced pick and place costs.Application· Low current peripheral drivers· Replacement of general purpose...
SeekIC Buyer Protection PLUS - newly updated for 2013!
268 Transactions
All payment methods are secure and covered by SeekIC Buyer Protection PLUS.

| SYMBOL | PARAMETER |
CONDITIONS |
MIN. |
MAX. |
UNIT |
| Per transistor; for the PNP transistor with negative polarity | |||||
| VCBO | collector-base voltage |
open emitter |
- |
-50 |
V |
| VCEO | collector-emitter voltage |
open base |
- |
-50 |
V |
| VEBO | emitter-base voltage |
open collector |
- |
-10 |
V |
| Vi | input voltage positive negative |
- - |
+6 -40 |
V V | |
| IC | collector current (DC) |
- |
-100 |
mA | |
| IBM | peak base current |
- |
100 |
mA | |
| Ptot | total power dissipation SOT363 SOT666 |
Tamb 25 °C note 1 notes 1 and 2 |
- - |
200 200 |
mW |
| Tstg | storage temperature |
-65 |
+150 |
°C | |
| Tj | junction temperature |
- |
150 |
°C | |
| Tamb | operating ambient temperature |
-65 |
+150 |
°C | |
| Per device | |||||
| Ptot | total power dissipation SOT363 SOT666 |
Tamb25 °C note 1 notes 1 and 2 |
- - |
300 300 |
mW MW |