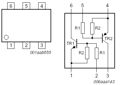
Features: ·Built-in bias resistors·Simplifies circuit design·Reduces component count·Reduces pick and place costApplication·Low current peripheral driver·Control of IC inputs·Replacement of general-purpose transistors in digital applicationsPinoutSpecifications SYMBOL PARAMETER CONDITIO...
PUMD17: Features: ·Built-in bias resistors·Simplifies circuit design·Reduces component count·Reduces pick and place costApplication·Low current peripheral driver·Control of IC inputs·Replacement of general-...
SeekIC Buyer Protection PLUS - newly updated for 2013!
268 Transactions
All payment methods are secure and covered by SeekIC Buyer Protection PLUS.
US $.02 - .03 / Piece
Transistors Switching (Resistor Biased) TRNS DOUBL RET TAPE7

| SYMBOL | PARAMETER |
CONDITIONS |
MIN. |
MAX. |
UNIT | |
| Per transistor; for the PNP transistor with negative polarity | ||||||
| VCBO | collector-base voltage |
open emitter |
- |
50 |
V | |
| VCEO | collector-emitter voltage |
open base |
- |
50 |
V | |
| VEBO | emitter-base voltage |
open collector |
- |
10 |
V | |
| Vi | input voltage TR1 positive negative |
- - - - |
+40 -10 +10 -40 |
V V V V | ||
| input voltage TR2 positive negative |
||||||
| IO | collector current (DC) |
- |
-100 |
mA | ||
| ICM | peak base current |
- |
100 |
mA | ||
| Ptot | total power dissipation SOT363 SOT666 |
Tamb 25 °C; |
[1] [1] [2] |
- - |
200 200 |
mW mW |
| Tstg | storage temperature |
-65 |
+150 |
°C | ||
| Tj | junction temperature |
- |
150 |
°C | ||
| Tamb | operating ambient temperature |
-65 |
+150 |
°C | ||
| Per device | ||||||
| Ptot | total power dissipation SOT363 SOT666 |
Tamb25 °C; |
[1] [1] [2] |
- - |
300 300 |
mW mW |